Dunque, vediamo di spiegare perche` mettere un mosfet (o due) in una replica, e perche`.
Vantaggi
- Non si consumano i contatti del grilletto
- Si riduce la caduta di tensione
- Si fa fermare il motore sempre nello stesso esatto punto, lasciando la molla scarica (se si usa la configurazione con il freno, ovvero quella con due mosfet)
Svantaggi
- Il mosfet puo` bruciarsi (quello che non c'e` non si rompe)
- Si sottopone il motore a sforzo maggiore (nella configurazione con il freno)
Principio di funzionamento
Il principio di funzionamento e` semplice: il mosfet (veramente usiamo un HEXFET, se vogliamo essere pignoli) e` una sorta di interruttore elettronico. Quando il contatto del grilletto gli fornisce tensione, lui fornisce tensione al motore. Questo permette di evitare che tutta la corrente che attraversa il motore (dai 10 ai 20 ampere indicativamente, con un picco iniziale molto maggiore) attraversi i contatti del grilletto, danneggiandoli. Inoltre, il mosfet ha una resistenza interna molto bassa, quindi aiuta a non avere cadute di tensione, ovvero ad avere un ROF piu` alto a parita` di batteria.
Il freno
Aggiungendo un secondo mosfet e` possibile creare un freno elettrodinamico. In pratica, quando si rilascia il grilletto (e anche quando si spara un colpo singolo) il motore si comporta da freno, fermando gli ingranaggi nel minor tempo possibile. Questo, forse con un po` di taratura, permette di fermare l'ingranaggio settoriale in posizione di riposo, ovvero nella posizione in cui non ci sono denti in presa con il pistone; la molla resta quindi totalmente a riposo in seguito ad un colpo singolo. Sparando un colpo singolo prima di mettere via la replica si e` cosi` sicuri che la molla non sia sotto tensione. Ovviamente tutto questo e` inutile in quelle (rarissime) repliche che hanno un meccanismo di rilascio dell' anti-reversal, che permette a fine giocata di rilasciare la molla. Nel mio primo prototipo con il freno ho usato per i cablaggi del mosfet del freno dei fili sottili, e ho notato che il freno funziona benissimo lo stesso. Probabilmente frena un po` meno bruscamente, vista la resistenza introdotta dai fili sottili.
Componenti
Una resistenza da 220 ohm, 1/4 di watt
Un mosfet IRF1404 (canale N)
Un mosfet IRF4905 (canale P) se si vuole fare il freno.
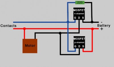
Schema
Lo schema e` qui di seguito disegnato, nella versione con due mosfet, ovvero con il freno. Il mosfet in alto (canale n) e` quello che da` corrente al motore, mentre quello in basso (canale p) e` quello che frena. Se non si vuole usare il freno, basta non montare il mosfet relativo.
I fili fra batteria, mosfet e motore devono essere grossi, mentre quelli verso i contatti del grilletto possono essere sottili. In questo schema non e` indicato, ma e` opportuno inserire un fusibile subito dopo la batteria.
I mosfet sono disegnati nello schema con i fili attaccati ai piendini nelle posizioni giuste, in modo che sia semplice capire come collegarli. Quando li montate, dovete guardare i mosfet tenendo l'aletta di raffreddamento in alto, i piedini in basso, e le scritte sul corpo plastico rivolte verso di voi. In pratica, cosi`:
Consigli per il montaggio
Occorre fare saldature ben fatte, specie per i fili che portano molta corrente (tutti tranne quelli del grilletto). Tenete corti i piedini dei mosfet, tagliandoli a meta` circa e cercando di saldare i fili grossi sulla parte di piedino che e` piu` larga. La resistenza da 220 ohm si monta molto bene attaccandola direttamente fra i piedini del mosfet, in modo da occupare poco spazio. L'aletta metallica dei mosfet e` in contatto con il piedino centrale, quini occhio a dove la fate toccare quando chiudete la replica. Siccome il mosfet in condizioni di funzionamento corrette non si scalda per nulla o quasi, potete anche ricoprirlo di nastro isolante o termoretraibile per evitare eventuali cortocircuiti.
Consigli per l'uso
Se i contatti del grilletto sono molto sporchi, e` possibile che il mosfet non vada totalmente in conduzione. In questo caso il motore sforza ma non gira, e il mosfet si surriscalda molto rapidamente. Per non bruciarlo, mollate il grilletto e non insistete. Dovrete pulire i contatti del grilletto. Potrebbe anche essere che il motore giri con estrema difficolta`, anche in questo caso non insistete. E` buona norma, visto che state smontando tutto per installare il mosfet, pulire il piu` possibile i contatti del grilletto.
Taratura del freno
Il freno non ha una taratura elettrica, ma meccanica. Il freno agisce quando il contatto del grilletto si apre. Se notate che il freno frena troppo tardi (in teoria potrebbe anche frenare troppo presto, ma non credo che in pratica possa succedere) occorrera` piegare (con molta cautela) i contatti del grilletto in modo da anticipare l'apertura del contatto quando la camma del colpo singolo fa alzare (o arretrare, dipende dalla meccanica della replica) il contatto stesso. Mi rendo conto che e` una spiegazione decisamente incomprensibile, ma qui ci vuole dell'occhio e bisogna sapere quello che si fa. Uno che conosce la meccanica delle repliche abbastanza bene dovrebbe capire quello che intendo dire. (spero)
Approfondimenti
Ho scelto dei mosfet molto robusti (sopportano una corrente di picco di oltre 200 Ampere) in modo da ridurre al massimo il rischio che si brucino, aumentando quindi l'affidabilita`. Insomma, al contrario di come si costruiscono le repliche cinesi.
Ho anche cercato dei mosfet che avessero una resistenza interna molto bassa, in modo da minimizzare lo spreco di energia, che si traduce anche in riscaldamento dei mosfet stessi. Considerando che questi mosfet non diventano nemmeno tiepidi anche dopo 20 secondi di raffica continua, penso di averne trovati di molto adatti.
La scelta del valore della resistenza e` il problema piu` difficile da risolvere in questo schema. Una resistenza troppo alta rende il circuito troppo sensibile, e se per esempio i contatti del grilletto si bagnano il mosfet entra in conduzione (parziale o totale) con il risultato che la replica spara oppure che il mosfet si brucia. D'altro canto, una resistenza troppo bassa rende il circuito "duro" da mettere in conduzione, quindi se i contatti del grilletto sono sporchi o ossidati, quando si spara il mosfet potrebbe andare in conduzione parziale, surriscaldandosi e bruciandosi. Il valore di 220 ohm e` stato trovato grazie a calcoli complicatissimi... ehm, non ci crede nessuno, eh? Ok, la verita` e` che e` stato trovato facendo esperimenti misurando la tensione di gate (e confrontandola con le curve nei datasheet) e misurando la caduta di tensione fra source e drain, in modo da verificare che il mosfet fosse sempre aperto oppure in conduzione totale. Ho fatto prove mettendo due fili a bagno nell'acqua, per simulare i contatti del grilletto bagnati, e ho fatto prove usando fili ossidati per simulare i contatti del grilletto ossidati. Questo perche` non avendo una vaga idea di quale resistenza possano offrire i contatti del grilletto ossidati oppure messi a bagno nell'acqua, ho pensato che la soluzione piu` semplice era appunto provare.
Qui, il test del mosfet con i contatti a bagno:
Mosfet nelle repliche
Mosfet nelle repliche
Fabio "Kurgan" Muzzi
- Il massimo danno con il minimo sforzo
- Come il porco, ma peggio in tutto
- Il mio animale totemico e` il BradiPorco, un incrocio fra un bradipo e un porco, che quando ha fame si trascina lentamente dalla poltrona al frigo.
Email: 
- Il massimo danno con il minimo sforzo
- Come il porco, ma peggio in tutto
- Il mio animale totemico e` il BradiPorco, un incrocio fra un bradipo e un porco, che quando ha fame si trascina lentamente dalla poltrona al frigo.
Email: 
Re: Mosfet nelle repliche
ottimo kurgan!!!
quindi mi pare di capire che usi cmq il grilletto della replica così com'è, non lo cambi con un contatto diverso?
ho visto in giro che parecchi lo sostituiscono, ma francamente non ne vedo il bisogno, tanto da li non passa + corrente...
proverò la configurazione singolo mosfet, così cambio anche i cavi di "potenza" e vediamo se funzia!!!
un piccolo appunto, nello schema del circuito metti i "pallini" nei punti che vanno uniti altrimenti si rischia di fare casino e un occhio poco esperto potrebbe saldare fili che devono stare ben lontani, pena corti disastrosi!
quindi mi pare di capire che usi cmq il grilletto della replica così com'è, non lo cambi con un contatto diverso?
ho visto in giro che parecchi lo sostituiscono, ma francamente non ne vedo il bisogno, tanto da li non passa + corrente...
proverò la configurazione singolo mosfet, così cambio anche i cavi di "potenza" e vediamo se funzia!!!
un piccolo appunto, nello schema del circuito metti i "pallini" nei punti che vanno uniti altrimenti si rischia di fare casino e un occhio poco esperto potrebbe saldare fili che devono stare ben lontani, pena corti disastrosi!
Claudio "Bantoo" Tamburini
"Chi ha parlato? Chi cazzo ha parlato? Chi è quel lurido stronzo comunista checca pompinaro che ha firmato la sua condanna a morte? Ah, non è nessuno eh? Sarà stata la fatina buona del cazzo! Vi ammazzo a forza di ginnastica, vi faccio venire i muscoli al buco del culo, che ci potrete succhiare il latte senza cannuccia!"
(Sergente Hartman-Full Metal Jacket)
(Sergente Hartman-Full Metal Jacket)
Re: Mosfet nelle repliche
Esatto, uso lo stesso contatto orginale, anche perche` normalmente nelle repliche il contatto del grilletto e` meccanicamente mosso anche da una camma che si trova sul settoriale, che serve ad aprirlo alla fine di un ciclo del settoriale quando si tiene il selettore sul colpo singolo. Sostituendo il contatto del grilletto con un altro (un microswitch ad esempio) si ottiene un grilletto molto piu` morbido e sensibile (ovvero piu` realistico) ma si perde il funzionamento del colpo singolo, che nelle repliche e` meccanico.
Ho studiato un metodo elettronico per gestire il colpo singolo, ma e` ancora in fase di prototipo su basetta (non Basetta) millefori. E ho paura che il rumore elettrico spaventoso generato dal motore possa farlo impallare.
Se i contatti del grilletto non sono totalmente sfasciati, puliscili e tienili buoni, tanto da li` passano piu` o meno 33 mA con il mio schema.
Sul fatto di mettere i pallini nello schema hai ragione, quello schema (il disegno) e` copiato da un altro che avevo trovato su internet, ho solo tolto una resistenza e modificata un'altra. E siccome sono pigro, non avevo messo i pallini confidando che con i colori si capisse quali fili sono collegati assieme (stesso colore) e quali no. Correggero`, comunque.
Ho studiato un metodo elettronico per gestire il colpo singolo, ma e` ancora in fase di prototipo su basetta (non Basetta) millefori. E ho paura che il rumore elettrico spaventoso generato dal motore possa farlo impallare.
Se i contatti del grilletto non sono totalmente sfasciati, puliscili e tienili buoni, tanto da li` passano piu` o meno 33 mA con il mio schema.
Sul fatto di mettere i pallini nello schema hai ragione, quello schema (il disegno) e` copiato da un altro che avevo trovato su internet, ho solo tolto una resistenza e modificata un'altra. E siccome sono pigro, non avevo messo i pallini confidando che con i colori si capisse quali fili sono collegati assieme (stesso colore) e quali no. Correggero`, comunque.
Fabio "Kurgan" Muzzi
- Il massimo danno con il minimo sforzo
- Come il porco, ma peggio in tutto
- Il mio animale totemico e` il BradiPorco, un incrocio fra un bradipo e un porco, che quando ha fame si trascina lentamente dalla poltrona al frigo.
Email: 
- Il massimo danno con il minimo sforzo
- Come il porco, ma peggio in tutto
- Il mio animale totemico e` il BradiPorco, un incrocio fra un bradipo e un porco, che quando ha fame si trascina lentamente dalla poltrona al frigo.
Email: 
Re: Mosfet nelle repliche
Grande kurgan!!
Mi piace il dimensionamento della resistenza "ad cazzum"!!
Piuttosto, non si rischia di sgranare se passa + corrente e quindi il motore gira + in fretta?
O il guadagno sulla velocità non è così rilevante per quanto riguarda il ritorno della molla in posizione di riposo?
Mi piace il dimensionamento della resistenza "ad cazzum"!!
Piuttosto, non si rischia di sgranare se passa + corrente e quindi il motore gira + in fretta?
O il guadagno sulla velocità non è così rilevante per quanto riguarda il ritorno della molla in posizione di riposo?
Claudio "Bantoo" Tamburini
"Chi ha parlato? Chi cazzo ha parlato? Chi è quel lurido stronzo comunista checca pompinaro che ha firmato la sua condanna a morte? Ah, non è nessuno eh? Sarà stata la fatina buona del cazzo! Vi ammazzo a forza di ginnastica, vi faccio venire i muscoli al buco del culo, che ci potrete succhiare il latte senza cannuccia!"
(Sergente Hartman-Full Metal Jacket)
(Sergente Hartman-Full Metal Jacket)
Re: Mosfet nelle repliche
Beh, se usi una pila da 7.4, considerando che di solito le repliche vanno con una 8,4 o una 9,6, non credo che il guadagno di prestazioni sara` mai tale da sgranare.
La mia (poca) esperienza comunque mi dice che non c'e` un incremento di prestazioni misurabile fra un P90 (motore originale) con lipo da 7.4 e contatti originali (puliti) e il medesimo con il mosfet. Fa sempre 18 colpi al secondo. Il che mi sembra anche ragionevole, visto che il P90 Marui ha un circuito elettrico decente, e che i contatti della raffica sono belli solidi. Non ho fatto test comparativi del ROF su altre repliche, ma a orecchio non si sente una differenza netta, quindi magari c'e` un guadagno del 10%, ma non di piu`. Questo sempre considerando repliche con i contatti comunque puliti e in buone condizioni.
Tenendo conto che se usi una 11 volt (e li` a orecchio si sente NETTAMENTE la differenza nel ROF) riesci anche a sparare per alcuni secondi prima di sfondare tutto, credo che non sia possibile sgranare perche` si usa un mosfet.
La mia (poca) esperienza comunque mi dice che non c'e` un incremento di prestazioni misurabile fra un P90 (motore originale) con lipo da 7.4 e contatti originali (puliti) e il medesimo con il mosfet. Fa sempre 18 colpi al secondo. Il che mi sembra anche ragionevole, visto che il P90 Marui ha un circuito elettrico decente, e che i contatti della raffica sono belli solidi. Non ho fatto test comparativi del ROF su altre repliche, ma a orecchio non si sente una differenza netta, quindi magari c'e` un guadagno del 10%, ma non di piu`. Questo sempre considerando repliche con i contatti comunque puliti e in buone condizioni.
Tenendo conto che se usi una 11 volt (e li` a orecchio si sente NETTAMENTE la differenza nel ROF) riesci anche a sparare per alcuni secondi prima di sfondare tutto, credo che non sia possibile sgranare perche` si usa un mosfet.
Fabio "Kurgan" Muzzi
- Il massimo danno con il minimo sforzo
- Come il porco, ma peggio in tutto
- Il mio animale totemico e` il BradiPorco, un incrocio fra un bradipo e un porco, che quando ha fame si trascina lentamente dalla poltrona al frigo.
Email: 
- Il massimo danno con il minimo sforzo
- Come il porco, ma peggio in tutto
- Il mio animale totemico e` il BradiPorco, un incrocio fra un bradipo e un porco, che quando ha fame si trascina lentamente dalla poltrona al frigo.
Email: 
